VehicleLatControlAnalysis
VehicleLatControlAnalysis copied to clipboard
本仓库包含常用的车辆横向控制算法
VehicleLatControlAnalysis
项目包含车辆横向控制相关算法的分析.
依赖库
- numpy
- control
- matplotlib
路径跟踪算法
非时间参考路径跟踪方法
基于非时间的参考的路径跟踪方法[Vehicle SMC Analysis (none-time reference)]最早应用于机器人的路径跟踪系统,通过引入非时间参考量代替时间参考量,解决传统路径跟踪方法中将期望轨迹视为时间函数的问题。 该方法选择移动机器人实际路径在某参考系下的x 轴投影作为非时间参考量。
根据如下控制系统框图,搭建仿真环境。






高阶滑模分析
待补充
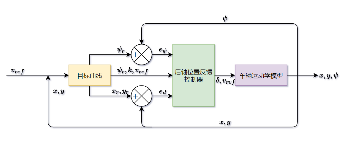
基于后轴反馈的跟踪控制

仿真框图如上,基于上述框图搭建仿真环境。
余弦曲线跟踪

上图可知,跟踪效果很好。

输出控制抖动也较小。
圆弧跟踪


Stanley跟踪
基于Stanley的跟踪方法
三角函数曲线跟踪


圆弧跟踪

