vdjtools icon indicating copy to clipboard operation
vdjtools copied to clipboard

Hierarchical Clustering

Open rogershijin opened this issue 7 years ago • 2 comments

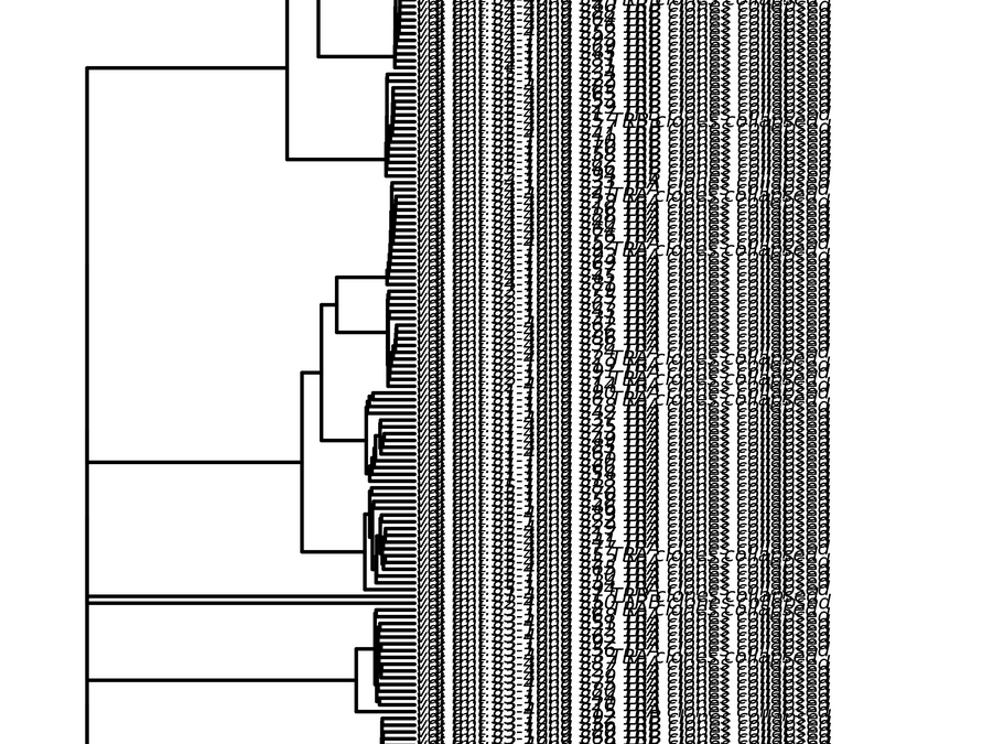
Currently, I am getting a sample hierarchical clustering with the command
java -Xmx20G -jar vdjtools_path ClusterSamples -p --plot-type png pairwise_distances_path out_path. This generates a rather cramped tree like this:

image How do I get a circular tree like in the docs?

Thanks!

rogershijin avatar Jul 19 '18 09:07 rogershijin

Hello!

Unfortunately this option was removed quite a while ago, so its a bit tricky. You can do this by modifying the R script (file with *.R extension) produced by VDJtools, it is in the same folder as the output plot.

my.plot(TRUE, phylo, tip.color = cc_final)

to

my.plot(TRUE, phylo, tip.color = cc_final,type="fan")

at line 242

And then re-execute it with Rscript script_name.R

mikessh avatar Jul 20 '18 00:07 mikessh

Hi Mike,

My question also concerns the Cluster samples command; I don't get any of the txt.files.. I've been doing the same as with the other analyses- so I don't know what going wrong: (The output from CalcPairwiseDistances was fine, and still in the folder)

C:\Users\cjanssen\VDJtools>java -jar I:\research\vdjtools-1.1.9\vdjtools-1.1.9.jar ClusterSamples C:\Users\cjanssen\VDJtools C:\Users\cjanssen\VDJtools

Executing com.antigenomics.vdjtools.overlap.ClusterSamples C:\Users\ cjanssen\VDJtools C:\Users\cjanssen\VDJtools
[Tue Aug 07 10:50:39 CEST 2018 ClusterSamples] Reading data header
[Tue Aug 07 10:50:39 CEST 2018 ClusterSamples] Clustering samples.
[RUtil] Executing Rscript cluster_samples.r C:\Users\cjanssen\VDJtools\int
ersect.batch.aa.txt 1 2 18 0 0 0 1 2 NA F C:\Users\cjanssen\VDJtools\hc.aa.
F.pdf C:\Users\cjanssen\VDJtools\mds.aa.F.pdf F C:\Users\cjanssen\VDJt
ools\hc.aa.F.newick.txt C:\Users\cjanssen\VDJtools\mds.aa.F.txt
[ERROR] The system cannot find the path specified.

[Tue Aug 07 10:50:40 CEST 2018 ClusterSamples] Finished

I did other analyses as well- I also got the error, but then the .txt file were there and I could run the R script myself. Now I get the cluster_samples.R file – but not the .txt files. Can you help?

Thanks!! Colin

C-Janssen avatar Aug 07 '18 09:08 C-Janssen